2020-04-16

最新消息

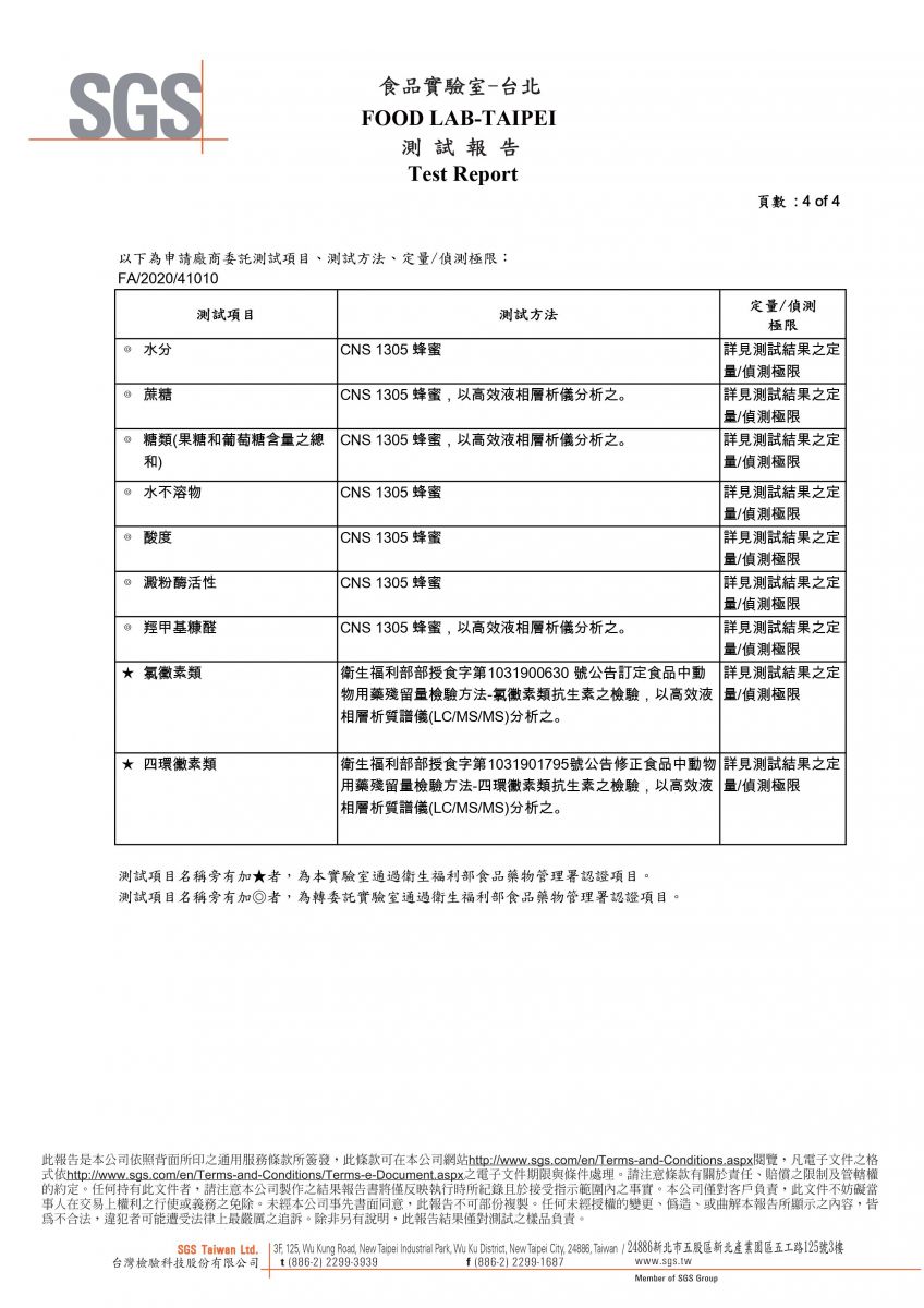
2020 龍眼蜜-SGS檢驗報告